Ventilation system

HYOSUNG EC Fan

자체 개발 IE5급 EC모터로 구동되는 고효율 팬 시스템 - 완벽한 호환성과 최적화된 성능으로 에너지 비용 절감

효성 EC Fan - HEC-AF-630-70

효성 EC Fan

HYOSUNG EC Fan으로 HVAC 시스템의 에너지 효율을 극대화하세요

인버터 내장형 고효율 팬으로 최대 50% 에너지 절감 실현

기존 AC 팬 대비 최대 50%의 에너지를 절감하는 차세대 EC(Electronically Commutated) 팬입니다.
내장된 인버터로 정밀한 속도 제어가 가능합니다.
CE 인증과 고효율기자재 인증을 획득한 효성중공업의 검증된 기술력으로 제작되었습니다.

임펠러 사이즈 315~630mm의 다양한 라인업으로 모든 HVAC/AHU 시스템에 적용 가능하며,
-20°C~+50°C의 넓은 온도 범위와 IP54 보호등급으로 어떤 환경에서도 안정적인 성능을 보장합니다.

기술 사양

아이템 아이콘-1

전기적 사양

  1. 정격 전압 : 380V
  2. 주파수 : 50/60Hz
  3. 입력 전력 범위 : 0.8~5.7kW
  4. 효율 : 72.4%
아이템 아이콘-1

기계적 사양

  1. 직경 범위 : 630mm
  2. 최대 풍량 : 19,970 m³/h
  3. 진동 : 2.5mm/s
  4. 무게 : 41kg(코어), 74kg(플러그)
아이템 아이콘-1

환경 사양

  1. 주변 온도 : -20℃ ~ +50℃
  2. 보호 등급 : IP54

성능 데이터

No. Speed (rpm) Flow Rate (m³/h) Static pressure (Pa) Nominal Voltage (Vac) Input Power (W) Current (A) Noise [dB(A)]
1 1,550 10,035 1,275 380 5,747 9.2 82.8
2 1,550 14,358 1,028 380 5,658 9.1 83.4
3 1,550 19,970 408 380 3,154 5.2 87.0
4 1,350 8,576 976 380 3,830 6.2 82.2
5 1,350 12,456 799 380 3,853 6.2 80.4
6 1,350 17,272 377 380 2,551 4.2 84.0
7 1,200 7,619 785 380 2,757 4.5 79.6
8 1,200 10,979 629 380 2,720 4.5 77.6
9 1,200 15,194 215 380 1,315 2.2 81.4
10 1,000 6,363 535 380 1,601 2.8 75.7
11 1,000 9,086 429 380 1,579 2.7 73.7
12 1,000 12,559 161 380 851 1.5 77.3

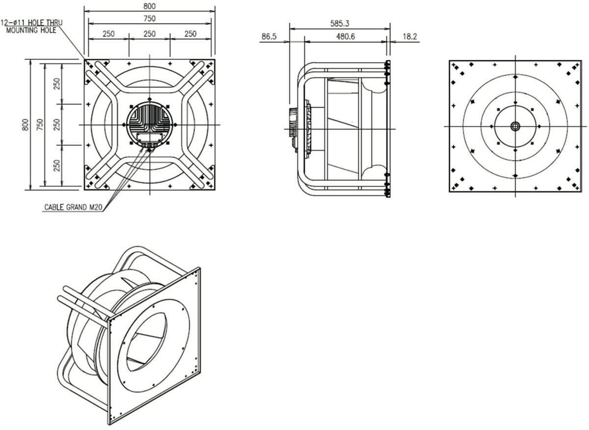
치수

환경 사양

환경 사양

시공사례

우일E&C의 시공사례를 확인하세요.
도움이 필요하신가요?
우일E&C 전문가가 도와드리겠습니다.

파트너